TP N°1 Commande de moteur à courant continu
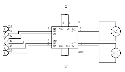
En1 | In1 | In2 | Fonctionnement Moteur |
|
|
|
|
|
|
|
|
|
|
|
|
Modifier le programme de la question 4 comme suit :
TP N°2 Commande de Servomoteur
Soit une table traçante constituée de deux servomoteurs voire figure
ci-après. La dimension de la bras 4 et 5 et de 10 cm.
Pour faire commander un servomoteur on utilise souvent le signale PWM (Pulse-Width Modulation).
La plage de variation d’angle pour les servomoteurs est -90° jusqu’à +90°.
Chaque degré représenté d’un signale PWM comme montre la figure suivante :
Travail à faire
1.
Faire un montage
sur ISIS contenant les éléments suivants : PIC16F84, Servomotor;
3.
Ajouter un autre
servomoteur, puis écrire un programme qui permet de positionner l'organe
terminal au point A(0,10).
4.
Ecrire un
programme qui permet de positionner l'organe terminal au point B(5,5).
TP N°3 Commande de Moteur Pas à Pas
Soit un vérin
électrique composé d’un moteur pas à pas et un système vis écrou
Pour faire sortir
la tige le moteur pas à pas tourne dans le sens horaire.
Le moteur pas à pas
possède trois modes de fonctionnement :
·
Fonctionnement pas entier couple faible (90°)
·
Fonctionnement pas entier couple fort (90°)
·
Fonctionnement en demi-pas (45°)
Un tour complet du moteur provoque la
translation de la tige de 4cm.
Travail à
faire
1.
Test du fonctionnement du moteur pas à pas
a) Faire le
montage dans Isis contenant : Des LOGIC STATE, ULN2803 (circuit de
puissance) et moteur pas à pas (MOTOR-STEPPER).
b) Remplir les
tableaux suivants :
Fonctionnement :………………………………….
Fonctionnement :………………………………….
b) En déduire
le fonctionnement d’un demi-bas
2.
Programmer
le microcontrôleur pour :
a)
Faire
sortir la tige d’une distance D=15,5 cm
b)
Placer le
tapis roulant dans la position de remplissage (voir figure suivant)
· · Si α=0° le tapis est sa position horizontale
·
Si α= 35° le tapis est
dans la position de remplissage
TP N°4 Commande du bras manipulateur
Soit un bras manipulateur possède trois degrés de liberté, assurés par deux liaison pivots et une liaison glissière. Les articulations sont représentées selon la figure suivante :
On vous donne :
l0=l1=2cm, l2=5cm et l3=3cm
Le moteur à courant continu avec le mécanisme de vis écrou permet la translation glissière T. Cinq rotation du moteur représente 1 cm. La vitesse de rotation du moteur est 0,2 min/tr.
La rotation selon teta 3 est assurée par un servomoteur.
Un moteur pas à pas permet de faire tourner le bras selon l'angle teta 1.
Ecrire un programme dans MikroC permettant de positioner l'OT au point A(-8.57, 8.57 , 6,12)






Aucun commentaire:
Enregistrer un commentaire